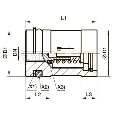
RVP Картридж обратного клапана

Array
Количество
шт
Цена по запросу

RVP Картридж обратного клапана Вы можете купить в Москве с доставкой по РФ, позвонив по телефону +7 (495) 926-14-50, отправив заявку на почту info@parkerhose.ru или в магазине по адресу: Московская Область, город Долгопрудный, Лихачёвский проезд, д. 28, стр. 1.

Характеристики

RVP136-L/6 & 8-S3,512,945 ± 0,05513 +0,05; +0,1223,159,56,0SRA 13-2,05-1,08,3х2,421420400
RVP168-L/10-S5,515,945 ± 0,05516 +0,12; +0,0526,659,56,5SRA 16-2,05-1,011,3х2,432420400
RVP2010-L/12-S7,519,935 ± 0,06520 +0,142; +0,06530,159,56,5SRA 20-2,05-1,015,3х2,454420400
RVP2412-L/14-S9,523,935 ± 0,06524 +0,149; +0,06535,1512,07,5SRA 24-2,6-1,018,2х380420315
RVP2715-L/16-S11,526,935 ± 0,06527 +0,149; +0,06538,1512,07,5SRA 27-2,6-1,021,2х3105420315
RVP3518-L/20-S15,034,92 ± 0,0835 +0,18; +0,0844,6512,09,5SRA 35-2,5-1,029,2х3204420250
RVP4022-L/25-S19,039,92 ± 0,0840 +0,18; +0,0850,6512,011,0SRA 40-2,5-1,034,2х3275420250
RVP4728-L/30-S24,046,92 ± 0,0847 +0,18; +0,0860,1513,013,0SRA 47-2,6-1,541,0х3412250250
RVP5535-L/38-S29,054,905 ± 0,09555 +0,01; +0,2270,1516,013,0SRA 55-5,1-1,544,2х5,7607250250
Появились вопросы?

Вы можете или позвонить по номеру +7 (495) 287-44-04

Наши менеджеры помогут подобрать оборудование Parker и дадут необходимые консультации.

Популярные товары



Производитель: Parker M22D8C8UB Parker Группа соединителей Паркер
Купить
Производитель: Parker M22F8UHA8UB Parker Группа соединителей Паркер
Купить
Производитель: Parker CST-501-VALVE-SEAL-KIT Parker Быстросоединительное соединение,РЕМОНТНЫЙ Комплект
Купить
Производитель: Parker F81-24M18M14ARB Parker Группа соединителей Паркер
Купить
Вы просматривали
Фото